我们的产品
- ULVAC
- -DOP-N181S活塞泵
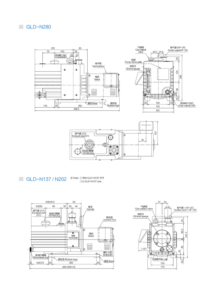
- -GLD-N051/N137/N202/N280油旋片真空泵
- -VDN301/VDN401油旋片真空泵
- -VDN602/VDN902油旋片真空泵
- -VSN1501/VSN2401油旋片真空泵
- -PVD-N180(-1)/PVD-N360(-1)油旋片真空泵
- -VSN6501/VSN7501油旋片真空泵
- -NB100/NB300/NB600/NB1200罗茨泵
- -NB2400罗茨泵
- -NRL60A/NRL90A/NRL180L干式真空泵
- -YM-RL系列罗茨泵机组
- -YM-VD/VS系列真空泵机组
- -SW1-N1 Gatch系列真空计
- -SC1-N Gatch系列真空计
- -TMN151/201/401/901油雾过滤器
- -NOS1801/4201油雾过滤器
- -R-72/R-42/SMR-100/R-7000真空泵油Y-LVAC14/6/Y-LVAC25/6
- -NOC系列油净化装置
- -NWS系列油水分离器
- EDWARDS
- INFICON
- ORION
- 镀膜设备及其配件
- 真空泵维修专区
- NORDSON
- BOSTIK
- 8张主图管理
联系我们
上海隆科科技有限公司
联系地址:上海市金山区卫零路288号1055室
销售联系:13651661745 邝经理
邮箱地址:longketech922@163.com
公司网址:www.longke-tech.com
微信二维码:
ULVAC GLD系列油旋片式真空泵



